elecena.pl

Two ADCs, One DAC, Low Power Codec with Audio DSPs

Analog Devices

Two ADCs, One DAC, Low Power Codec with Audio DSPs RSS Sample
  • Darmowa próbka
MPN:
ADAU1788
Producent:
ANALOG DEVICES
Dodany do bazy:
Ostatnio widziany:
Zmiana ceny:
-100% (19.01.2025)
Poprzednia cena:
8.43

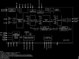
The ADAU1788 is a codec with two inputs and one output that incorporates two digital signal processors (DSPs). The path from the analog input to the DSP core to the analog output is optimized for low latency and is ideal for noise cancelling headsets. With the addition of just a few passive components, the ADAU1788 provides a noise cancelling headphone solution.

Note that throughout this data sheet, multifunction pins, such as BCLK0/MP1, are referred to either by the entire pin name or by a single function of the pin, for example, BCLK0, when only that function is relevant.

Applications

* Noise cancelling handsets, headsets, and headphones

* Bluetooth ANC handsets, headsets, and headphones

* Personal navigation devices

* Digital still and video cameras

* Musical instrument effect processors

* Multimedia speaker systems

* Smartphones

* Programmable FastDSP audio processing engine

* Up to 768 kHz sample rate

* Biquad filters, limiters, volume controls, mixing

* 28-bit SigmaDSP audio processing core

* Visually programmable using SigmaStudio

* Up to 50 MIPS performance

* Low latency, 24-bit ADCs and DAC

* 96 dB SNR (signal through PGA and ADC with A-weighted filter)

* 105 dB combined SNR (signal through DAC and headphone with A-weighted filter)

* Serial port fSYNC frequency from 8 kHz to 768 kHz

* 5 μs group delay (fS = 768 kHz) analog in to analog out

* 2 single-ended analog inputs, configurable as microphone or line inputs

* 4 digital microphone inputs

Elecena nie prowadzi sprzedaży elementów elektronicznych, ani w niej nie pośredniczy.

Produkt pochodzi z oferty sklepu