elecena.pl

Compact Sequential Mode RGB LED driver with IC Control interface

Texas Instruments

Compact Sequential Mode RGB LED driver with IC Control interface RSS Sample
  • Darmowa próbka
MPN:
LM3435
Producent:
TEXAS INSTRUMENTS
Dodany do bazy:
Ostatnio widziany:

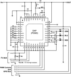
The LM3435, a Synchronously Rectified non-isolated Flyback Converter, features all required functions to implement a highly efficient and cost effective RGB LED driver. Different from conventional Flyback converter, LEDs connect across the VOUT pin and the VIN pin through internal passing elements at corresponding LED pins. Thus, voltage across LEDs can be higher than, equal to or lower than the input supply voltage.

Load current to LEDs is up to 2A with voltage across LEDs ranging from 2.0V to 4.5V. Integrated N-Channel main MOSFET, P-Channel synchronous MOSFET and three N-Channel current regulating pass switches allow low component count, thus reducing complexity and minimize board size. The LM3435 is designed to work exceptionally well with ceramic output capacitors with low output ripple voltage. Loop compensation is not required resulting in a fast load transient response. Non-overlapping RGB LEDs are driven sequentially through individual control. Output voltage hence can be optimized for different forward voltage of LEDs during the non-overlapping period. I2C interface eases the programming of the individual RGB LED current up to 1,024 levels per channel.

The LM3435 is available in the thermally enhanced 40-pin WQFN package.

Elecena nie prowadzi sprzedaży elementów elektronicznych, ani w niej nie pośredniczy.

Produkt pochodzi z oferty sklepu