elecena.pl

16-bit, 250-kSPS, 8-ch SAR ADC with VREF, VREF buffer and direct sensor interface

Texas Instruments

16-bit, 250-kSPS, 8-ch SAR ADC with VREF, VREF buffer and direct sensor interface RSS Sample
  • Darmowa próbka
MPN:
ADS8166
Producent:
TEXAS INSTRUMENTS
Dodany do bazy:
Ostatnio widziany:

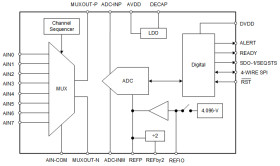
The ADS816x is a family of 16-bit, 8-channel, high-precision successive approximation register (SAR) analog-to-digital converters (ADCs). The ADCs operate from a single 5V supply with a 1MSPS (ADS8168), 500kSPS (ADS8167), and 250kSPS (ADS8166) total throughput.

The input multiplexer supports extended settling time, which makes driving the analog inputs easier. The output of the multiplexer and ADC analog inputs are available as device pins. This configuration allows one ADC driver op amp to be used for all eight analog inputs of the multiplexer.

The ADS816x features a digital window comparator with programmable high and low alarm thresholds per analog input channel. The single op-amp solution with programmable alarm thresholds enables low power, low cost, and smallest form-factor applications.

Elecena nie prowadzi sprzedaży elementów elektronicznych, ani w niej nie pośredniczy.

Produkt pochodzi z oferty sklepu