elecena.pl

Integrated 300-1000 MHz RF transceiver and microcontroller

Texas Instruments

Integrated 300-1000 MHz RF transceiver and microcontroller RSS Sample
  • Darmowa próbka
MPN:
CC1010
Producent:
TEXAS INSTRUMENTS
Dodany do bazy:
Ostatnio widziany:

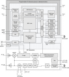
The CC1010 is a true single-chip UHF transceiver with an integrated high performance 8051 microcontroller with 32 kB of Flash program memory. The RF transceiver can be programmed for operation in the 300 - 1000 MHz range, and is designed for very low power wireless applications.

The CC1010 together with a few external passive components constitutes a powerful embedded system with wireless communication capabilities.

CC1010 is based on Chipcon’s SmartRF®02 technology in 0.35 µm CMOS

Elecena nie prowadzi sprzedaży elementów elektronicznych, ani w niej nie pośredniczy.

Produkt pochodzi z oferty sklepu