elecena.pl

DLP® controller for DLP650LNIR, DLP7000, and DLP9500 digital micromirror devices (DMDs)

Texas Instruments

DLP® controller for DLP650LNIR, DLP7000, and DLP9500 digital micromirror devices (DMDs) RSS Sample
  • Darmowa próbka
MPN:
DLPC410
Producent:
TEXAS INSTRUMENTS
Dodany do bazy:
Ostatnio widziany:

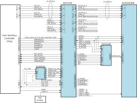
The DLPC410 is a digital controller that supports five DMD options: DLP650LNIR, DLP7000, DLP7000UV, DLP9500, and DLP9500UV. It is the convenient, high-speed data and control interface between the application electronics and the DMD. The DLPC410 provides DMD Mirror Clocking Pulses (Resets) and timing information to the DLPA200 DMD Micromirror Driver. The device is configured with firmware stored in the DLPR410 PROM.

This family of chipsets enables pixel data rates up to 48 Gigabits per second (Gbps) with the option for single, dual, quad, and global Resets. In addition, random row addressing and LOAD4 capabilities are offered. Often the family of chips is used when designing UV and NIR systems such as direct imaging lithography, 3D printing, and laser marking systems that need fast throughput and pixel accurate control.

In DLP-based electronics solutions, image data is 100% digital from the DLPC410 input port to the projected image. The image stays in digital form and is never converted into an analog signal. The DLPC410 processes the digital input image and converts the data into a format needed by the image on the DMD. The DMD then steers the light using binary pulse-width modulation (PWM) for each pixel mirror.

The DLPC410 is the DMD digital controller that controls the DLP650LNIR, DLP7000, DLP7000UV, DLP9500, and DLP9500UV DMDs (see Functional Block Diagram, Functional Block Diagram, and Functional Block Diagram). The DLPC410 provides developers easy access to the DMD as well as high speed, independent micromirror control. See the list of required chipset components for each DMD solution in Device Configurations table:

Reliable function and operation of the DLPC410 requires that it be used in conjunction with the other components of the chipset in DLPC410 Device Configurations table. For more information on the chipset components, see the data sheets in Related Documentation.

Elecena nie prowadzi sprzedaży elementów elektronicznych, ani w niej nie pośredniczy.

Produkt pochodzi z oferty sklepu