elecena.pl

12-V nominal, 2.5-A peak sensorless sinusoidal control 3-phase BLDC motor driver

Texas Instruments

12-V nominal, 2.5-A peak sensorless sinusoidal control 3-phase BLDC motor driver RSS Sample
  • Darmowa próbka
MPN:
DRV10974
Producent:
TEXAS INSTRUMENTS
Dodany do bazy:
Ostatnio widziany:

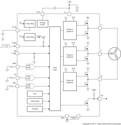
The DRV10974 device is a three-phase sensorless motor driver with integrated power MOSFETs, which can provide continuous drive current up to 1 A (rms). The device is designed for cost-sensitive, low-noise, and low-external-component-count applications.

The DRV10974 device uses a proprietary sensorless control scheme to provide dependable commutation. The 180° sinusoidal commutation significantly reduces pure tone acoustics that are typical with 120° (trapezoidal) commutation. The DRV10974 spin-up is configured using a single external low-power resistor. The current limit can be set by an external low-power resistor.

The DRV10974 device provides for simple control of motor speed by applying a PWM input to control the magnitude of the drive voltage, or by driving the PWM pin with an analog voltage and monitoring the FG pin for speed feedback.

The DRV10974 device includes a number of features to improve efficiency. The resistor-configurable lead angle allows the user to optimize the driver efficiency by aligning the phase current and the phase BEMF. In addition, the use of low-rDS(on) MOSFETs helps to conserve power while the motor is being driven.

Elecena nie prowadzi sprzedaży elementów elektronicznych, ani w niej nie pośredniczy.

Produkt pochodzi z oferty sklepu