elecena.pl

Ratiometric linear hall effect sensor with analog output

Texas Instruments

Ratiometric linear hall effect sensor with analog output RSS Sample
  • Darmowa próbka
MPN:
DRV5055
Producent:
TEXAS INSTRUMENTS
Dodany do bazy:
Ostatnio widziany:

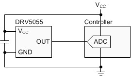
The DRV5055 is a linear Hall effect sensor that responds proportionally to magnetic flux density. The device can be used for accurate position sensing in a wide range of applications.

The device operates from 3.3-V or 5-V power supplies. When no magnetic field is present, the analog output drives half of VCC. The output changes linearly with the applied magnetic flux density, and four sensitivity options enable maximal output voltage swing based on the required sensing range. North and south magnetic poles produce unique voltages.

Magnetic flux perpendicular to the top of the package is sensed, and the two package options provide different sensing directions.

The device uses a ratiometric architecture that can eliminate error from VCC tolerance when the external analog-to-digital converter (ADC) uses the same VCC for its reference. Additionally, the device features magnet temperature compensation to counteract how magnets drift for linear performance across a wide –40°C to 125°C temperature range. Device options for no temperature compensation of magnet drift are also available.

Elecena nie prowadzi sprzedaży elementów elektronicznych, ani w niej nie pośredniczy.

Produkt pochodzi z oferty sklepu