elecena.pl

Linear hall effect sensor with digital PWM output

Texas Instruments

Linear hall effect sensor with digital PWM output RSS Sample
  • Darmowa próbka
MPN:
DRV5057
Producent:
TEXAS INSTRUMENTS
Dodany do bazy:
Ostatnio widziany:

The DRV5057 is a linear Hall effect sensor that responds proportionally to magnetic flux density. The device can be used for accurate position sensing in a wide range of applications.

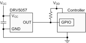
The device operates from 3.3-V or 5-V power supplies. When no magnetic field is present, the output produces a clock with a 50% duty cycle. The output duty cycle changes linearly with the applied magnetic flux density, and four sensitivity options maximize the output dynamic range based on the required sensing range. North and south magnetic poles produce unique outputs. The typical pulse-width modulation (PWM) carrier frequency is 2 kHz.

Magnetic flux perpendicular to the top of the package is sensed, and the two package options provide different sensing directions.

Because the PWM signal is based on edge-to-edge timing, signal integrity is maintained in the presence of voltage noise or ground potential mismatch. This signal is suitable for distance transmission in noisy environments, and the always-present clock allows the system controller to confirm there are good interconnects. Additionally, the device features magnet temperature compensation to counteract how magnets drift for linear performance across a wide –40°C to +125°C temperature range. Device options for no temperature compensation of magnet drift are also available.

Elecena nie prowadzi sprzedaży elementów elektronicznych, ani w niej nie pośredniczy.

Produkt pochodzi z oferty sklepu