elecena.pl

102-V max 3-phase smart gate driver with current shunt amplifiers

Texas Instruments

102-V max 3-phase smart gate driver with current shunt amplifiers RSS Sample
  • Darmowa próbka
MPN:
DRV8353
Producent:
TEXAS INSTRUMENTS
Dodany do bazy:
Ostatnio widziany:

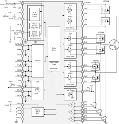
The DRV835x family of devices are highly-integrated gate drivers for three-phase brushless DC (BLDC) motor applications. These applications include field-oriented control (FOC), sinusoidal current control, and trapezoidal current control of BLDC motors. The device variants provide optional integrated current shunt amplifiers to support different motor control schemes and a buck regulator to power the gate driver or external controller.

The DRV835x uses smart gate drive (SGD) architecture to decrease the number of external components that are typically necessary for MOSFET slew rate control and protection circuits. The SGD architecture also optimizes dead time to prevent shoot-through conditions, provides flexibility in decreasing electromagnetic interference (EMI) by MOSFET slew rate control, and protects against gate short circuit conditions through VGS monitors. A strong gate pulldown circuit helps prevent unwanted dV/dt parasitic gate turn on events

Various PWM control modes (6x, 3x, 1x, and independent) are supported for simple interfacing to the external controller. These modes can decrease the number of outputs required of the controller for the motor driver PWM control signals. This family of devices also includes 1x PWM mode for simple sensored trapezoidal control of a BLDC motor by using an internal block commutation table.

Elecena nie prowadzi sprzedaży elementów elektronicznych, ani w niej nie pośredniczy.

Produkt pochodzi z oferty sklepu