60-V dual H-bridge smart gate driver
Texas Instruments
RSS
Sample
- Darmowa próbka
- MPN:
- DRV8704
- Producent:
- TEXAS INSTRUMENTS
- Dodany do bazy:
- Ostatnio widziany:
Sugerowane produkty dla drv8704
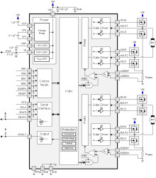
The DRV8704 is a dual-brushed motor controller for industrial equipment applications. The device controls external N-channel MOSFETs configured as two H-bridges.
Motor current can be accurately controlled using adaptive blanking time and various current decay modes, including an automatic mixed decay mode.
A simple PWM interface allows easy interfacing to controller circuits. A SPI serial interface is used to program the device operation. Output current (torque), gate drive settings, and decay mode are all programmable through a SPI serial interface.
Internal shutdown functions are provided for overcurrent protection, short-circuit protection, gate driver faults, undervoltage lockout (UVLO), and overtemperature. Fault conditions are indicated by a FAULTn pin, and each fault condition is reported by a dedicated bit through SPI.
The DRV8704 is packaged in a PowerPAD™ 38-pin HTSSOP package with thermal pad (Eco-friendly: RoHS & no Sb/Br).
Elecena nie prowadzi sprzedaży elementów elektronicznych, ani w niej nie pośredniczy.
Produkt pochodzi z oferty sklepu Texas Instruments