elecena.pl

Automotive, 50-V, 1.5-A, bipolar stepper motor driver w/integrated current sensing & stall detection

Texas Instruments

Automotive, 50-V, 1.5-A, bipolar stepper motor driver w/integrated current sensing & stall detection RSS Sample
  • Darmowa próbka
MPN:
DRV8889-Q1
Producent:
TEXAS INSTRUMENTS
Dodany do bazy:
Ostatnio widziany:

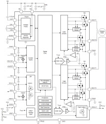
The DRV8889-Q1 and DRV8889A-Q1 are fully integrated stepper motor drivers, supporting up to 1.5 A full scale current with an internal microstepping indexer, smart tune decay technology, advanced stall detection algorithm, and integrated current sensing.

The device supports up to 1/256 levels of microstepping to enable a smooth motion profile. Integrated current sensing eliminates the need for two external resistors, saving board space and cost. With advanced stall detection algorithm, designers can detect if the motor stopped and take action as needed which can improve efficiency and reduce noise. The device provides 8 decay mode options including: smart tune, slow, and mixed decay options. Smart tune automatically adjusts for optimal current regulation performance. The device also includes an integrated torque DAC which allows for the controller to scale the output current through SPI without needing to scale the VREF voltage reference. A low-power sleep mode is provided using an nSLEEP pin. The device features full duplex, 4-wire synchronous SPI communication, with daisy chain support for up to 63 devices connected in series, for configurability and detailed fault reporting. View our full portfolio of stepper motor drivers on ti.com.

Elecena nie prowadzi sprzedaży elementów elektronicznych, ani w niej nie pośredniczy.

Produkt pochodzi z oferty sklepu