elecena.pl

6V to 42V Synchronous Buck DC-DC Controller With Wide Duty Cycle Range

Texas Instruments

6V to 42V Synchronous Buck DC-DC Controller With Wide Duty Cycle Range RSS Sample
  • Darmowa próbka
MPN:
LM25145
Producent:
TEXAS INSTRUMENTS
Dodany do bazy:
Ostatnio widziany:

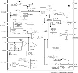
The LM25145 42-V synchronous buck controller is designed to regulate from a high input voltage source or from an input rail subject to high voltage transients, minimizing the need for external surge suppression components. A high-side switch minimum on-time of 40 ns facilitates large step-down ratios, enabling the direct step-down conversion from a 24 V nominal input to low-voltage rails for reduced system complexity and solution cost. The LM25145 continues to operate during input voltage dips as low as 6 V, at nearly 100% duty cycle if needed, making it well suited for high-performance industrial control, robotic, datacom, and RF power amplifier applications.

Forced-PWM (FPWM) operation eliminates frequency variation to minimize EMI, while a user-selectable diode emulation feature lowers current consumption at light-load conditions. Cycle-by-cycle overcurrent protection is accomplished by measuring the voltage drop across the low-side MOSFET or by using an optional current sense resistor. The adjustable switching frequency as high as 1 MHz can be synchronized to an external clock source to eliminate beat frequencies in noise-sensitive applications.

The LM25145 voltage-mode controller drives external high-side and low-side N-channel power switches with robust 7.5-V gate drivers suitable for standard-threshold MOSFETs. Adaptively-timed gate drivers with 2.3-A source and 3.5-A sink capability minimize body diode conduction during switching transitions, reducing switching losses and improving thermal performance when driving MOSFETs at high input voltage and high frequency. The LM25145 can be powered from the output of the switching regulator or another available source, further improving efficiency.

A 180° out-of-phase clock output relative to the internal oscillator at SYNCOUT is ideal for cascaded or multi-channel power supplies to reduce input capacitor ripple current and EMI filter size. Additional features of the LM25145 include a configurable soft-start, an open-drain Power Good monitor for fault reporting and output monitoring, monotonic start-up into prebiased loads, integrated VCC bias supply regulator and bootstrap diode, external power supply tracking, precision enable input with hysteresis for adjustable line undervoltage lockout (UVLO), hiccup-mode overload protection, and thermal shutdown protection with automatic recovery.

The LM25145 controller is offered in a 3.5-mm × 4.5-mm thermally-enhanced, 20-pin VQFN package with additional spacing for high-voltage pins and wettable flanks for optical inspection of solder joint fillets.

Elecena nie prowadzi sprzedaży elementów elektronicznych, ani w niej nie pośredniczy.

Produkt pochodzi z oferty sklepu