elecena.pl

LM36010 Synchronous Boost LED flash driver

Texas Instruments

LM36010 Synchronous Boost LED flash driver RSS Sample
  • Darmowa próbka
MPN:
LM36010
Producent:
TEXAS INSTRUMENTS
Dodany do bazy:
Ostatnio widziany:

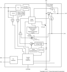
The LM36010 is an ultra-small LED flash driver that provides a high level of adjustability. With a total solution size of 7 mm2, it can produce up to 1.5 A of LED flash current or up to 376 mA of torch current.

The device utilizes a 2-MHz or 4-MHz fixed-frequency, synchronous boost converter to power the 1.5-A constant current LED source. An adaptive regulation method ensures the current source remains in regulation and maximizes efficiency as it controls the current from 11 mA up to 1.5 A in flash mode or from 2.4 mA up to 376 mA in torch mode.

Features of the LM36010 are controlled via an I2C-compatible interface. These features include: hardware flash (STROBE) and 128 programmable currents for both flash and movie mode (torch). The 2-MHz or 4-MHz switching frequency, overvoltage protection (OVP), and adjustable current limit allow for the use of tiny, low-profile inductors and ceramic capacitors. The device operates over a –40°C to +85°C ambient temperature range.

Elecena nie prowadzi sprzedaży elementów elektronicznych, ani w niej nie pośredniczy.

Produkt pochodzi z oferty sklepu