elecena.pl

11.7-Gbps transceiver with dual CDRs & integrated modulator driver

Texas Instruments

11.7-Gbps transceiver with dual CDRs & integrated modulator driver RSS Sample
  • Darmowa próbka
MPN:
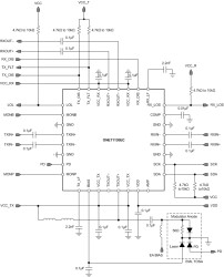
ONET1130EC
Producent:
TEXAS INSTRUMENTS
Dodany do bazy:
Ostatnio widziany:

The ONET1130EC is a 2.5 V integrated modulator driver and limiting amplifier with transmit and receive clock and data recovery (CDR) designed to operate between 9.80 Gbps and 11.7 Gbps without the need for a reference clock. Optical and electrical loopback are included. CDR bypass mode can be used for operation at lower data rates and a two-wire serial interface allows digital control of the features.

The transmit path consists of an adjustable input equalizer for equalization of up to 300 mm (12 inches) of microstrip or stripline transmission line of FR4 printed circuit boards, a multi-rate CDR and an output modulator driver. Output waveform control, in the form of cross-point adjustment and de-emphasis are available to improve the optical eye mask margin. Bias current for the laser is provided and an integrated automatic power control (APC) loop to compensate for variations in average optical power over voltage, temperature and time is included.

The receive path consists of a limiting amplifier with programmable equalization and threshold adjustment, a multi-rate CDR and output de-emphasis to compensate for frequency dependent loss of connectors, microstrips or striplines connected to the output of the device, The receiver output amplitude and loss of signal assert level can be adjusted.

The ONET1130EC contains internal analog to digital and digital to analog converters to support transceiver management and eliminate the need for special purpose microcontrollers.

The transceiver is characterized for operation from –40°C to 100°C case temperatures and is available in a small footprint 4mm × 4mm, 32 pin RoHS compliant VQFN package.

Elecena nie prowadzi sprzedaży elementów elektronicznych, ani w niej nie pośredniczy.

Produkt pochodzi z oferty sklepu