Integrated Photodiode and Amplifier In Hermetically Sealed Package
Texas Instruments
RSS
Sample
- Darmowa próbka
- MPN:
- OPT301
- Producent:
- TEXAS INSTRUMENTS
- Dodany do bazy:
- Ostatnio widziany:
Sugerowane produkty dla opt301
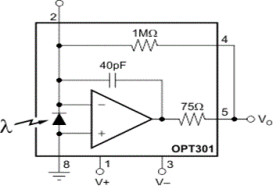
The OPT301 is an opto-electronic integrated circuit containing a photodiode and transimpedance amplifier on a single dielectrically isolated chip. The transimpedance amplifier consists of a precision FET input op amp and an on-chip metal film resistor. The 0.09 × 0.09 inch photodiode is operated at zero bias for excellent linearity and low dark current.
The integrated combination of photodiode and transimpedance amplifier on a single chip eliminates the problems commonly encountered in discrete designs such as leakage current errors, noise pick-up and gain peaking due to stray capacitance.
The OPT301 operates over a wide supply range (±2.25 to ±18V) and supply current is only 400µA. It is packaged in a hermetic TO-99 metal package with a glass window, and is specified for the –40°C to 85°C temperature range.
Elecena nie prowadzi sprzedaży elementów elektronicznych, ani w niej nie pośredniczy.
Produkt pochodzi z oferty sklepu Texas Instruments