Serial interface controlled 9-ch motor driver with 2-ch DC/DC converter
Texas Instruments
RSS
Sample
- Darmowa próbka
- MPN:
- TPIC2010
- Producent:
- TEXAS INSTRUMENTS
- Dodany do bazy:
- Ostatnio widziany:
Sugerowane produkty dla tpic2010
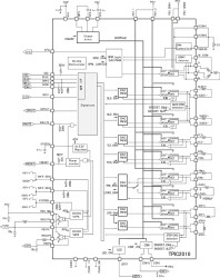
TPIC2010 is a very-low noise type motor driver IC suitable for slim or ultra-slim ODD. The 9-channel driver IC controlled by serial I/F is optimal for driving a spindle motor, a sled motor (stepping motor applicable), a load motor, and focus / tracking / tilt actuators and stepping motor for collimator lens. This driver IC includes 2-channel synchronous DC-DC converters.
The discontinuous regulation mode on the DC-DC converter improves efficiency at low power consumption significantly. The spindle motor driver uses BEMF feedback for startup, control, and low-noise operation without needing external sensors. In addition, the TPIC2010 has many protection features including: spindle output current limiting, thermal shutdown, sled and collimator lens end detection, actuator protection, and power-reset circuit. The TPIC2010 also has a built-in thermometer for easy IC temperature measurement.
Elecena nie prowadzi sprzedaży elementów elektronicznych, ani w niej nie pośredniczy.
Produkt pochodzi z oferty sklepu Texas Instruments