Serial interface controlled 7-ch motor driver with 1-ch step-down regulator
Texas Instruments
RSS
Sample
- Darmowa próbka
- MPN:
- TPIC2030
- Producent:
- TEXAS INSTRUMENTS
- Dodany do bazy:
- Ostatnio widziany:
Sugerowane produkty dla tpic2030
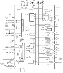
TPIC2030 is very-low noise type motor driver IC suitable for slim or ultra-slim DVD reader/writer. The integrated current sense resistance for the spindle motor reduces cost and board area in designs. The TPIC2030 is an integrated solution for driving the spindle motor, sled motor, load motor, and Focus / Tracking / Tilt actuators in an optical disk drive. It also integrates a synchronous DC-DC converter to supply 1.0 or 3.3 V. The discontinuous mode regulation feature on the DC-DC converter improves efficiency at low power consumption.
Sensorless control using BEMF allows for self-starting and low-noise operation of the spindle motor without requiring external sensors. In addition, the TPIC2030 has many built-in protection features including: spindle driver output current limiting, thermal shutdown, sled-end detection, and power-reset circuit. It also integrates a thermometer to measure IC temperature.
Elecena nie prowadzi sprzedaży elementów elektronicznych, ani w niej nie pośredniczy.
Produkt pochodzi z oferty sklepu Texas Instruments