Serial interface controlled 7-ch motor driver for optical disk drive
Texas Instruments
RSS
Sample
- Darmowa próbka
- MPN:
- TPIC2040
- Producent:
- TEXAS INSTRUMENTS
- Dodany do bazy:
- Ostatnio widziany:
Sugerowane produkty dla tpic2040
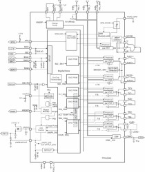
TPIC2040 is a very-low noise type motor driver IC suitable for slim or ultra-slim DVD reader/writer. This IC includes integrated current sense resistance that measures SPM current and reduces drive system cost. The 7-channel driver IC controlled by serial I/F is optimum for driving a spindle motor, a sled motor, a load motor, and Focus / Tracking / Tilt actuators. The spindle motor driver uses BEMF detection for sensorless startup and control of the spindle motor
As the output stage of all channels works in efficient PWM driving, it is possible to attain low-power operation by PWM control. Deadband less control is possible for a focus / tracking / tilt actuator driver. In addition, the spindle part output current limiting circuit, thermal shutdown circuit, sled-end detection circuit, actuator protection and power-reset circuit are built in.
Elecena nie prowadzi sprzedaży elementów elektronicznych, ani w niej nie pośredniczy.
Produkt pochodzi z oferty sklepu Texas Instruments