elecena.pl

USB Type-C® source controller and 3A power switch with VCONN

Texas Instruments

USB Type-C® source controller and 3A power switch with VCONN RSS Sample
  • Darmowa próbka
MPN:
TPS25810
Producent:
TEXAS INSTRUMENTS
Dodany do bazy:
Ostatnio widziany:

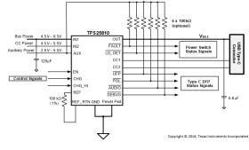
The TPS25810 is a USB Type-C Downstream Facing Port (DFP) controller with an integrated 3-A rated USB power switch. The TPS25810 monitors the Type-C Configuration Channel (CC) lines to determine when an USB device is attached. If an Upstream Facing Port (UFP) device is attached, the TPS25810 applies power to VBUS and communicates the selectable VBUS current sourcing capability to the UFP via the passthrough CC line. If the UFP is attached using an electronically marked cable, the TPS25810 also applies VCONN power to the cable CC pin. The TPS25810 also identifies when Type-C audio or debug accessories are attached.

The TPS25810 draws less than 0.7 uA (typ) when no device is attached. Additional system power saving is achievable in S4/S5 system power states by using the UFP output to disable the high power 5-V supply when no UFP is attached. In this mode the device is capable of running from an auxiliary supply (AUX) which can be a lower voltage supply (3.3 V), typically powering the system uC in low power states (S4/S5).

The TPS25810 34-mΩ power switch has two selectable fixed current limits that align with the Type-C current levels. The FAULT output signals when the switch is in an over current or over temperature condition. The LDDET output controls power management to multiple high current Type-C ports in an environment where all ports cannot simultaneously provide high current (3 A).

Elecena nie prowadzi sprzedaży elementów elektronicznych, ani w niej nie pośredniczy.

Produkt pochodzi z oferty sklepu