elecena.pl

8-A boost converter with 0.5-V ultra-low input voltage

Texas Instruments

8-A boost converter with 0.5-V ultra-low input voltage RSS Sample
  • Darmowa próbka
MPN:
TPS61022
Producent:
TEXAS INSTRUMENTS
Dodany do bazy:
Ostatnio widziany:

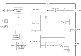
The TPS61022 provides a power supply solution for portable equipment and IoT devices powered by various batteries and super capacitors. The TPS61022 has minimum 6.5-A valley switch current limit over full temperature range. With a wide input voltage range of 0.5 V to 5.5 V, the TPS61022 supports supercapacitor backup power applications, which may deeply discharge the supercapacitor.

The TPS61022 operates at 1-MHz switching frequency when the input voltage is above 1.5 V. the switching frequency decreases gradually to 0.6 MHz when the input voltage is below 1.5 V down to 1 V. A MODE pin sets the TPS61022 operating either in power-save mode or forced PWM mode in light load condition. The TPS61022 only consumes a 26-µA quiescent current from VOUT in light load condition. During shutdown, the load is completely disconnected from the input power. The TPS61022 has 5.7-V output overvoltage protection, output short-circuit protection, and thermal shutdown protection.

The TPS61022 offers a very small solution size with its 2-mm × 2-mm VQFN package and minimum amount of external components.

Elecena nie prowadzi sprzedaży elementów elektronicznych, ani w niej nie pośredniczy.

Produkt pochodzi z oferty sklepu