elecena.pl

USB3.2 10 Gbps Dual-channel Linear Redriver

Texas Instruments

USB3.2 10 Gbps Dual-channel Linear Redriver RSS Sample
  • Darmowa próbka
MPN:
TUSB1002A
Producent:
TEXAS INSTRUMENTS
Dodany do bazy:
Ostatnio widziany:

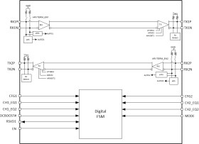
The TUSB1002A is the industry’s first dual-channel USB 3.2 x1 SuperSpeedPlus (SSP) redriver and signal conditioner. The device offers low power consumption on a 3.3V supply with its ultra-low-power architecture. The device supports the USB3.2 low power modes which further reduces idle power consumption.

The TUSB1002A implements a linear equalizer, supporting up to 16dB of loss due to inter-symbol interference (ISI). When USB signals travel across a PCB or cable, signal integrity degrades due to loss and inter-symbol interference. The linear equalizer compensates for the channel loss, and thereby, extends the channel length and enables systems to pass USB compliance. The dual lane implementation and small package size provides flexibility in the placement of the TUSB1002A in the USB3.2 path.

The TUSB1002A is available in either a 24-pin 4mm × 4mm VQFN. It is also available in a commercial grade (TUSB1002A) or industrial grade (TUSB1002AI).

Elecena nie prowadzi sprzedaży elementów elektronicznych, ani w niej nie pośredniczy.

Produkt pochodzi z oferty sklepu