LLC resonant controller enabling low standby power
Texas Instruments
RSS
Sample
- Darmowa próbka
- MPN:
- UCC256303
- Producent:
- TEXAS INSTRUMENTS
- Dodany do bazy:
- Ostatnio widziany:
Sugerowane produkty dla ucc256303
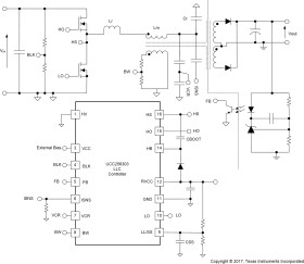
The UCC256303 is a fully featured LLC controller with integrated high-voltage gate driver. It has been designed to pair with a PFC stage to provide a complete power system using a minimum of external components. The resulting power system is designed to meet the most stringent requirements for standby power without the need for a separate standby power converter, and with PFC stage running all the time. UCC256303 includes a range of features designed to make LLC converter operation well controlled and robust. This device aims to unburden the LLC designer and allow mainstream applications to benefit from efficiency advantages of the LLC topology.
UCC256303 uses hybrid hysteretic control to provide best in class line and load transient response. The control effort is approximately linearly proportional to average input current in one cycle. The control makes the open loop transfer function a first order system so that it’s very easy to compensate. The system is always stable with proper frequency compensation.
UCC256303 provides a high efficient burst mode with consistent burst power level during each burst on cycle. The burst power level is programmable and adaptively changes with input voltage, making the optimization of efficiency very easy.
Elecena nie prowadzi sprzedaży elementów elektronicznych, ani w niej nie pośredniczy.
Produkt pochodzi z oferty sklepu Texas Instruments