elecena.pl

PMIC for AMD™ family 17h models 10h-1Fh processors

Texas Instruments

PMIC for AMD™ family 17h models 10h-1Fh processors RSS Sample
  • Darmowa próbka
MPN:
TPS6508700
Producent:
TEXAS INSTRUMENTS
Dodany do bazy:
Ostatnio widziany:

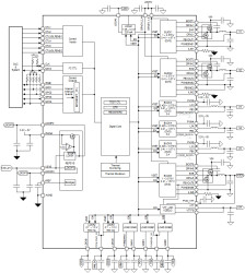
The TPS6508700 device is a single-chip power-management IC (PMIC) designed for the AMD™ family 17h models 10h-1Fh processors targeted for notebooks and all-in-one desktops. The TPS6508700 device offers an input range from 5.6V to 21V, enabling use in a wide range of applications. The device is well suited for NVDC and non-NVDC power architecture using 2S, 3S, or 4S Li-Ion battery packs. The D-CAP2™ and DCS-Control™ high-frequency voltage regulators use small inductors and capacitors to achieve a small solution size. The D-CAP2 and DCS-control topologies have excellent transient response performance, which is optimal for processor core and system memory rails that have fast load switching. An I2C interface allows simple control either by an embedded controller (EC) or by a system on chip (SoC). The PMIC comes in an 8mm × 8mm, single-row VQFN package with thermal pad for good thermal dissipation and ease of board routing.

Elecena nie prowadzi sprzedaży elementów elektronicznych, ani w niej nie pośredniczy.

Produkt pochodzi z oferty sklepu