2 Watt Power Amplifier Chip with Power Detector, 12 - 16 GHz
Analog Devices
RSS
Sample
- Darmowa próbka
- MPN:
- HMC949
- Producent:
- ANALOG DEVICES
- Dodany do bazy:
- Ostatnio widziany:
Sugerowane produkty dla hmc949
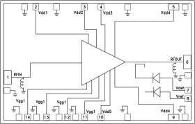
The HMC949 is a 4 stage GaAs pHEMT MMIC 2 Watt Power Amplifier with an integrated temperature compensated on-chip power detector which operates between 12 and 16 GHz. The HMC949 provides 31 dB of gain, +35.5 dBm of saturated output power, and 26% PAE from a +7V supply. The HMC949 exhibits excellent linearity and is optimized for high capacity digital microwave radio. It is also ideal for 13.75 to 14.5 GHz Ku Band VSAT transmitters as well as SATCOM applications. All data is taken with the chip in a 50 Ohm test fixture connected via (2) 0.025 mm (1 mil) diameter wire bonds of 0.31 mm (12 mil) length.
Applications
* Point-to-Point Radios
* Point-to-Multi-Point Radios
* VSAT & SATCOM
* Telecom Infrastructure
* Military & Space
* Saturated Output Power:
+35.5 dBm @ 26% PAE
* High Output IP3: +42 dBm
* High Gain: 31 dB
Elecena nie prowadzi sprzedaży elementów elektronicznych, ani w niej nie pośredniczy.
Produkt pochodzi z oferty sklepu Analog Devices