elecena.pl

SiGe Direct Modulator, 4 - 7 GHz

Analog Devices

SiGe Direct Modulator, 4 - 7 GHz RSS Sample
  • Darmowa próbka
MPN:
HMC496
Producent:
ANALOG DEVICES
Dodany do bazy:
Ostatnio widziany:

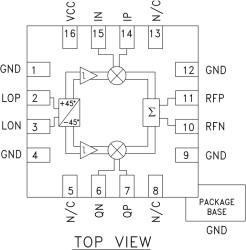
The HMC496LP3(E) is a low noise Wideband Direct Quadrature Modulator RFIC which are ideal for digital modulation applications from 4 - 7 GHz including; WLL, U-NII, WLAN & microwave radios. Housed in a compact 3x3 mm (LP3) SMT QFN package, the RFIC requires minimal external components & provides a low cost alternative to more complicated double upconversion architectures.

The RF output port is matched to 50 Ohms with no external components. The LO requires -3 to +6 dBm and can be driven in either differential or single-ended mode while the Baseband inputs will support modulation inputs from DC - 250 MHz typical. This device is optimized for a supply voltage of +3V @ 93 mA and will provide stable performance over a +2.7V to +3.3V range.

Applications

* Fixed Wireless or WLL

* U-NII Radios

* 802.11a & HiperLAN WLAN

* C-band Microwave Radios

* Wideband RF Frequency Range

* High Carrier Suppression: 34 dBc

* Very Low Noise Floor: -157 dBm/Hz

* Low LO Power: -3 to +6 dBm

Elecena nie prowadzi sprzedaży elementów elektronicznych, ani w niej nie pośredniczy.

Produkt pochodzi z oferty sklepu