elecena.pl

Dual Downconverter with DVGA and PLL/VCO, 450 MHz to 2700 MHz

Analog Devices

Dual Downconverter with DVGA and PLL/VCO, 450 MHz to 2700 MHz RSS Sample
  • Darmowa próbka
MPN:
ADRF6650
Producent:
ANALOG DEVICES
Dodany do bazy:
Ostatnio widziany:
Zmiana ceny:
-100% (17.01.2025)
Poprzednia cena:
22.92

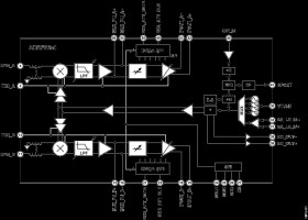
The ADRF6650 is a highly integrated downconverter that integrates dual mixers, dual digital switched attenuators, dual digital variable gain amplifiers, a phase-locked loop (PLL), and voltage controlled oscillators (VCOs). In addition, the ADRF6650 integrates two radio frequency (RF) baluns, serial gain control (SGC) controls, and fast enable inputs for time division duplex (TDD) operation.

The on-chip RF baluns enable the ADRF6650 to support 50 Ω terminated RF inputs. The integrated passive mixer provides a highly linear downconversion for a 200 MHz, sliding, intermediate frequency (IF) window. The ADRF6650 uses broadband square wave limiting local oscillator (LO) amplifiers to achieve an RF bandwidth of 450 MHz to 2700 MHz. Unlike conventional narrow-band sine wave LO amplifier solutions, this amplifier permits the LO to be applied either above or below the RF input over an extremely wide bandwidth.

The ADRF6650 offers two alternatives for generating the differential LO input signal: internally via the on-chip fractional-N synthesizer with low phase noise VCOs, or externally via a low phase noise LO signal. The integrated PLL/VCO enables continuous LO coverage from 450 MHz to 2900 MHz. The PLL reference input supports a wide frequency range and includes integrated reference dividers before the phase frequency detector (PFD).

The ADRF6650 is fabricated using an advanced silicon-germanium (SiGe) bipolar complementary metal-oxide semiconductor (BiCMOS) process. It is available in a 56-lead, RoHS-compliant, 8 mm × 8 mm, lead frame chip scale package (LFCSP) package with an exposed pad. Performance is specified over the −40°C to +105°C maximum paddle temperature.

Applications

* Multiband/multistandard cellular base station diversity receivers

* Wideband radio link diversity downconverters

* Multimode cellular extenders and picocells

* Dual down-converter with integrated fractional-N PLL/VCO* RF: 450 MHz to 2700 MHz continuous* LO frequency: 450 MHz to 2900 MHz, high-side or low-side injection* 43 dB gain control range* Gain control with up/down and SPI* Integrated RF balun for single-ended 50 Ω inputs* Power supply: 3.3 and 5 V* 8 mm × 8 mm, 56-lead LFCSP package

Elecena nie prowadzi sprzedaży elementów elektronicznych, ani w niej nie pośredniczy.

Produkt pochodzi z oferty sklepu