elecena.pl

135 MHz Quad IF Receiver

Analog Devices

135 MHz Quad IF Receiver RSS Sample
  • Darmowa próbka
MPN:
AD6684
Producent:
ANALOG DEVICES
Dodany do bazy:
Ostatnio widziany:
Zmiana ceny:
-100% (20.01.2025)
Poprzednia cena:
575.26

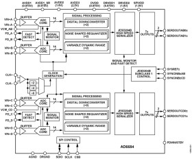
The AD6684 is a 135 MHz bandwidth, quad intermediate frequency (IF) receiver. It consists of four 14-bit, 500 MSPS ADCs and various digital processing blocks consisting of four wideband DDCs, an NSR, and VDR monitoring. The device has an on-chip buffer and a sample-and-hold circuit designed for low power, small size, and ease of use. This device is designed to support communications applications. The analog full power bandwidth of the device is 1.4 GHz.

The quad ADC cores feature a multistage, differential pipelined architecture with integrated output error correction logic. Each ADC features wide bandwidth inputs supporting a variety of user-selectable input ranges. An integrated voltage reference eases design considerations. The AD6684 is optimized for wide input bandwidth, excellent linearity, and low power in a small package.

The analog inputs and clock signal input are differential. Each pair of ADC data outputs are internally connected to two DDCs through a crossbar mux. Each DDC consists of up to five cascaded signal processing stages: a 48-bit frequency translator, NCO, and up to four half-band decimation filters.

Each ADC output is connected internally to an NSR block. The integrated NSR circuitry allows improved SNR performance in a smaller frequency band within the Nyquist bandwidth. The device supports two different output modes selectable via the serial port interface (SPI). With the NSR feature enabled, the outputs of the ADCs are processed such that the AD6684 supports enhanced SNR performance within a limited portion of the Nyquist bandwidth while maintaining a 9-bit output resolution.

Each ADC output is also connected internally to a VDR block. This optional mode allows full dynamic range for defined input signals. Inputs that are within a defined mask (based on DPD applications) are passed unaltered. Inputs that violate this defined mask result in the reduction of the output resolution.

With VDR, the dynamic range of the observation receiver is determined by a defined input frequency mask. For signals falling within the mask, the outputs are presented at the maximum resolution allowed. For signals exceeding defined power levels within this frequency mask, the output resolution is truncated. This mask is based on DPD applications andsupports tunable real IF sampling, and zero IF or complex IF receive architectures.

Operation of the AD6684 in the DDC, NSR, and VDR modes is selectable via SPI-programmable profiles (the default mode is NSR at startup).

In addition to the DDC blocks, the AD6684 has several functions that simplify the AGC function in the communications receiver. The programmable threshold detector allows monitoring of the incoming signal power using the fast detect output bits of the ADC. If the input signal level exceeds the programmable threshold, the fast detect indicator goes high. Because this threshold indicator has low latency, the user can quickly turn down the system gain to avoid an overrange condition at the ADC input.

Users can configure each pair of IF receiver outputs onto either one or two lanes of Subclass 1 JESD204B-based high speed serialized outputs, depending on the decimation ratio and the acceptable lane rate of the receiving logic device. Multiple device synchronization is supported through the SYSREF±, SYNCINB±AB, and SYNCINB±CD input pins.

The AD6684 has flexible power-down options that allow significant power savings when desired. All of these features can be programmed using the 1.8 V capable, 3-wire SPI.

The AD6684 is available in a Pb-free, 72-lead LFCSP and is specified over the −40°C to +105°C junction temperature range.

Product Highlights

* Low power consumption per channel.

* JESD204B lane rate support up to 15 Gbps.

* Wide full power bandwidth supports IF sampling of signals up to 1.4 GHz.

* Buffered inputs ease filter design and implementation.

* Four integrated wideband decimation filters and NCO blocks supporting multiband receivers.

* Programmable fast overrange detection.

* On-chip temperature diode for system thermal management.

Applications

* Communications

* Diversity multiband, multimode digital receivers 3G/4G, W-CDMA, GSM, LTE, LTE-A

* HFC digital reverse path receivers

* Digital predistortion observation paths

* General-purpose software radios

*

JESD204B (Subclass 1) coded serial digital outputs

* Lane rates up to 15 Gbps

* 1.68 W total power at 500 MSPS

* 420 mW per analog-to-digital converter (ADC) channel

* SFDR = 82 dBFS at 305 MHz (1.8 V p-p input range)

* SNR = 66.8 dBFS at 305 MHz (1.8 V p-p input range)

* Noise density = −151.5 dBFS/Hz (1.8 V p-p input range)

* Analog input buffer

* On-chip dithering to improve small signal linearity

* Flexible differential input range

* 1.44 V p-p to 2.16 V p-p (1.80 V p-p nominal)

* 82 dB channel isolation/crosstalk

* 0.975 V, 1.8 V, and 2.5 V dc supply operation

Elecena nie prowadzi sprzedaży elementów elektronicznych, ani w niej nie pośredniczy.

Produkt pochodzi z oferty sklepu