High-Performance Driver/Comparator Active Load on a Single Chip
Analog Devices
RSS
Sample
- Darmowa próbka
- MPN:
- AD53509G
- Producent:
- ANALOG DEVICES
- Dodany do bazy:
- Ostatnio widziany:
Sugerowane produkty dla ad53509
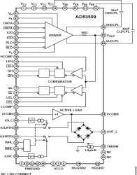
The AD53509 is a single chip that performs the pin electronics functions of driver, comparator, and active load in ATE VLSI and memory testers. In addition, a Schottky diode bridge for the active load and a VCOM buffer are included internally.
The driver is a proprietary design that features three active states: data high mode, data low mode, and term mode as well as an inhibit state. The output voltage range is −2 V to +7 V to accommodate a wide variety of test devices. The output leakage is typically <250 nA over the signal range.
The dual comparator, with an input range equal to the driver output range, features built-in latches and ECL-compatible outputs. The outputs are capable of driving 50 Ω signal lines terminated to −2 V. Signal tracking capability is >5 V/ns.
The active load can be set up to 40 mA load current with less than a 10 μA linearity error through the set range. IOH, IOL, and the buffered VCOM are independently adjustable. On-board Schottky diodes provide high speed switching and low capacitance.
Also included on the chip is an on-board temperature sensor whose purpose is to give an indication of the surface temperature of the DCL. This information can be used to measure θJC and θJA or flag an alarm if proper cooling is lost. Output from the sensor is a current sink that is proportional to absolute temperature. The gain is trimmed to a nominal value of 1.0 μA/K. For example, the output current can be sensed by using a 10 kΩ resistor connected from 10 V to the THERM pin. A voltage drop across the resistor then develops that equals
10 K × 1 μA/K = 10 mV/K = 2.98 V (at room temperature)
Applications
* Automatic test equipment (ATE)
* Semiconductor test systems
* Board test systems
* Instrumentation and characterization equipment
Data Sheet, Rev. B, 3/08
Elecena nie prowadzi sprzedaży elementów elektronicznych, ani w niej nie pośredniczy.
Produkt pochodzi z oferty sklepu Analog Devices