elecena.pl

AC'97 SoundMAX® Codec

Analog Devices

AC'97 SoundMAX® Codec RSS Sample
  • Darmowa próbka
MPN:
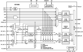
AD1885
Producent:
ANALOG DEVICES
Dodany do bazy:
Ostatnio widziany:

Analog Devices' AD1885 AC'97 SoundMAX® Codec provides stereo analog I/O on PC motherboard and peripheral devices, as part of the signal chain for delivery of high quality audio to PC-connected speakers, headphones, and microphone devices. AD1885 includes high-fidelity analog/digital, digital/analog, and sample rate converters, as well as power amplifier and programmable gain blocks.

AD1885 and SoundMAX® v2.0

The AD1885 stereo CODEC is an integral part of SoundMAX® v2.0 motherboard sound system. SoundMAX v2.0 consists of the AD1885 analog CODEC and companion Windows software drivers that take advantage of today's Intel® Pentium III and Celeron processors to implement audio synthesis and 3D effects processing. SoundMAX® v2.0, along with technology from partners Sensaura and Staccato Systems, delivers more realistic audio for Internet, voice recognition, and 3D gaming application to the complete spectrum of PCs.

SoundMAX® is a trademark of Analog Devices, Inc.

Update: 01/2000

* Full Duplex Variable Sample Rates from 7040 Hz to 48 kHz with 1 Hz Resolution * Up to Three Codecs Can Be Chained on a Single 5-Wire Interface * Jack Sense Pins Provide Automatic Output Switching * Extended 6-Bit Master Volume Control * Software-Enabled VREFOUT Output for Microphones and External Power Amp

Elecena nie prowadzi sprzedaży elementów elektronicznych, ani w niej nie pośredniczy.

Produkt pochodzi z oferty sklepu