elecena.pl

GaAs MMIC I/Q Upconverter SMT, 17.7 - 23.6 GHz

Analog Devices

GaAs MMIC I/Q Upconverter SMT, 17.7 - 23.6 GHz RSS Sample
  • Darmowa próbka
MPN:
HMC819
Producent:
ANALOG DEVICES
Dodany do bazy:
Ostatnio widziany:

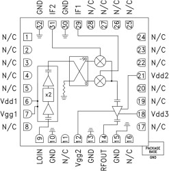
The HMC819LC5 is a compact GaAs MMIC I/Q upconverter in a leadless RoHS compliant SMT package. This device provides a small signal conversion gain of 15 dB with -35 dBc of sideband rejection. The HMC819LC5 utilizes a driver amplifier preceded by an I/Q mixer where the LO is driven by an active x2 multiplier. IF1 and IF2 mixer inputs are provided and an external 90° hybrid is needed to select the required sideband. The I/Q mixer topology reduces the need for filtering of the unwanted sideband.

The HMC819LC5 is a much smaller alternative to hybrid style single sideband upconverter assemblies and it eliminates the need for wire bonding by allowing the use of surface mount manufacturing techniques.

Applications

* Point-to-Point and Point-to-Multi-Point Radio

* Military Radar, EW & ELINT

* Satellite Communications

* Sensors

* High Conversion Gain: 15 dB

* Excellent Sideband Rejection: -35 dBc

* 2 LO to RF Isolation: 12 dB

Elecena nie prowadzi sprzedaży elementów elektronicznych, ani w niej nie pośredniczy.

Produkt pochodzi z oferty sklepu