390° Analog Phase Shifter SMT, 12 - 18 GHz
Analog Devices
RSS
Sample
- Darmowa próbka
- MPN:
- HMC932
- Producent:
- ANALOG DEVICES
- Dodany do bazy:
- Ostatnio widziany:
Sugerowane produkty dla hmc932lp4e
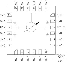
The HMC932LP4E is an Analog Phase Shifter which is controlled via an analog control voltage from 0 to +13V. The HMC932LP4E provides a continuously variable phase shift of 0 to 390 degrees from 12 to 18 GHz, with extremely consistent low insertion loss versus phase shift and frequency. The high accuracy HMC932LP4E is monotonic with respect to control voltage and features a typical low phase error of ±10 degrees over an octave bandwidth. The HMC932LP4E is housed in an RoHS compliant 4 × 4 mm QFN leadless package.
APPLICATIONS
* EW Receivers
* Military Radar
* Test Equipment
* Satellite Communications
* Beam Forming Modules
* Wide Bandwidth: 12 - 18 GHz
* 390° Phase Shift
* Low Insertion Loss: 4 dB
* Low Phase Error: ±10 deg Typ.
Elecena nie prowadzi sprzedaży elementów elektronicznych, ani w niej nie pośredniczy.
Produkt pochodzi z oferty sklepu Analog Devices