Single-Supply Sensor Interface Amplifier
Analog Devices
RSS
Sample
- Darmowa próbka
- MPN:
- AD22050
- Producent:
- ANALOG DEVICES
- Dodany do bazy:
- Ostatnio widziany:
Sugerowane produkty dla ad22050
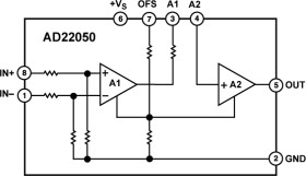
The AD22050 is a single-supply difference amplifier for amplifying and low-pass filtering small differential voltages (typically 100 mV FS at a gain of 40) from sources having a large common-mode voltage.
Supply voltages from +3.0 V to +36 V can be used. The input common-mode range extends from below ground to +24 V using a +5 V supply with excellent rejection of this common-mode voltage. This is achieved by the use of a special resistive attenuator at the input, laser trimmed to a very high differential balance.
Provisions are included for optional low-pass filtering and gain adjustment. An accurate midscale offset feature allows bipolar signals to be amplified.
* Gain of ×20, Alterable from ×1 to ×160
* Input CMR from Below Ground to 6× (VS - 1 V)
* Output Span 20 mV to (VS - 0.2) V
* 1-, 2-, 3-Pole Low-Pass Filtering Available
* Accurate Midscale Offset Capability
* Differential Input Resistance 400 kO
* Drives 1kO Load to +4 V Using
VS = +5 V
Elecena nie prowadzi sprzedaży elementów elektronicznych, ani w niej nie pośredniczy.
Produkt pochodzi z oferty sklepu Analog Devices