elecena.pl

40/100G Optical Modulator Driver

Analog Devices

40/100G Optical Modulator Driver RSS Sample
  • Darmowa próbka
MPN:
HMC5850
Producent:
ANALOG DEVICES
Dodany do bazy:
Ostatnio widziany:

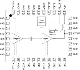
The HMC5850BG is a driver amplifier designed for 40 Gbps and 100 Gbps Mach-Zehnder optical modulator driver applications. Features such as high gain across a wide frequency range, low power dissipation, very compact size, integrated peak detector function, fast rise/fall time, and integrated bias-T inductor make the HMC5850BG a best-in-class product.

The driver provides 8Vpp saturated output swing and features output swing cross point adjustment. There are only 4 DC control signals required to tune the crossing and output RF amplitude. The integrated bias-tee eliminates the need for external high frequency coil, simplifies the PCB design and lowers the BOM cost.

HMC5850BG has a wide supply (Vdd) operating range from +5V to +7V, and the RF I/Os are internally matched to 50 Ohms. The HMC5850BG provides Long Haul designers with scalable power dissipation for varying output drive requirements. (1.4W at Vout = 8Vpp and 0.8W at Vout = 6Vpp) Integrated peak detector enables the output swing (Vpp) stability of LiNOb3 modulator for calibration and field monitoring as a part of the MZ modulator bias loop.

Applications

* 40 Gbps DQPSK

* 100 Gbps DP-QPSK

* 40 Gbps BPSK

* Operational to 32 Gbps:

- 40 Gbps DQPSK

- 100 Gbps DP-QPSK (Coherent)

- 40 Gbps BPSK

* Low DC Power Dissipation:

1.4W (for 8 Vpp Swing @ 6V Supply)

* Small Package Size: 9.75 x 6 x 3.29 mm

Elecena nie prowadzi sprzedaży elementów elektronicznych, ani w niej nie pośredniczy.

Produkt pochodzi z oferty sklepu