elecena.pl

6-Bit Digital Variable Gain Amplifier SMT, 0.5 - 4 GHz

Analog Devices

6-Bit Digital Variable Gain Amplifier SMT, 0.5 - 4 GHz RSS Sample
  • Darmowa próbka
MPN:
HMC742
Producent:
ANALOG DEVICES
Dodany do bazy:
Ostatnio widziany:

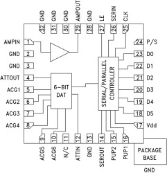
The HMC742 is a digitally controlled variable gain amplifier which operates from 0.5 GHz to 4 GHz, and can be programmed to provide from -19 dB attenuation, to 12.5 dB of gain, in 0.5 dB steps. The HMC742 delivers noise figure of 4 dB in its maximum gain state, with output IP3 of up to +39 dBm in any state. The dual mode gain control interface accepts either a three-wire serial input or a 6 bit parallel word. The HMC742 also features a user selectable power up state and a serial output for cascading other serially controlled Hittite components. The HMC742 is housed in an RoHS compliant 5x5 mm QFN leadless package, and requires minimal external components.

Applications

* Cellular/3G Infrastructure

* WiBro / WiMAX / 4G

* Microwave Radio & VSAT

* Test Equipment and Sensors

* IF & RF Applications

* -19 to 12.5 dB Gain Control in 0.5 dB Steps

* Power-up State Selection

* High Output IP3: +39 dBm

* TTL/CMOS Compatible Serial,

Parallel, or Latched Parallel Control

Elecena nie prowadzi sprzedaży elementów elektronicznych, ani w niej nie pośredniczy.

Produkt pochodzi z oferty sklepu