54 dB Logarithmic Detector SMT, 1 - 23 GHz
Analog Devices
RSS
Sample
- Darmowa próbka
- MPN:
- HMC948
- Producent:
- ANALOG DEVICES
- Dodany do bazy:
- Ostatnio widziany:
Sugerowane produkty dla hmc948lp3e
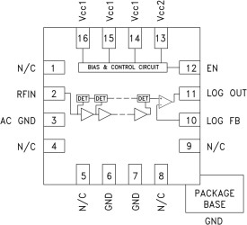
The HMC948LP3E Logarithmic Detector converts RF signals at its input, to a proportional DC voltage at its output. The HMC948LP3E employs successive compression topology which delivers high dynamic range over a wide input frequency range. As the input power is increased, successive amplifiers move into saturation one by one creating an approximation of the logarithm function.
The output of a series of square law detectors is summed, converted into the voltage domain and buffered to drive the LOG OUT output. The HMC948LP3E provides a nominal logarithmic slope of +14.2 mV/dB and an intercept of -111 dBm at 23 GHz. Ideal as a log detector for high volume microwave radio and VSAT applications, the HMC948LP3E is housed in a compact 3x3 mm RoHS compliant SMT plastic package.
Applications
* Point-to-Point Microwave Radio
* VSAT
* Wideband Power Monitoring
* Receiver Signal Strength Indication (RSSI)
* Test & Measurement
* Wide Input Bandwidth: 1 to 23 GHz
* Wide Dynamic Range:
54 dB up to 23 GHz
* Single Positive Supply: +3.3V
* Excellent Stability Over Temperature
* Fast Rise / Fall Time: 5 / 7 ns
* 16 Lead 3x3mm SMT Package: 9mm²
Elecena nie prowadzi sprzedaży elementów elektronicznych, ani w niej nie pośredniczy.
Produkt pochodzi z oferty sklepu Analog Devices