elecena.pl

28 Gbps, AND/NAND/OR/NOR Gate with Programmable Output Voltage

Analog Devices

28 Gbps, AND/NAND/OR/NOR Gate with Programmable Output Voltage RSS Sample
  • Darmowa próbka
MPN:
HMC852
Producent:
ANALOG DEVICES
Dodany do bazy:
Ostatnio widziany:

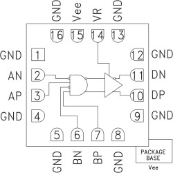
The HMC852LC3C is an AND/NAND/OR/NOR gate function that is designed to support data transmission rates of up to 28 Gbps, and clock frequencies as high as 28 GHz. The HMC852LC3C also features an output level control pin, VR, which allows for loss compensation or for signal level optimization. All input signals to the HMC852LC3C are terminated with 50 Ohms to ground on-chip, and may be either AC or DC coupled.

The differential outputs of the HMC852LC3C may be either AC or DC coupled. Outputs can be connected directly to a 50 Ohm to ground terminated system, while DC blocking capacitors may be used if the terminating system is 50 Ohms to a nonground DC voltage. The HMC852LC3C operates from a single -3.3 V DC supply, and is available in a ceramic RoHS-compliant 3x3 mm SMT package.

Applications

* Serial Data Transmission up to 28 Gbps

* Digital Logic Systems up to 28 Gbps

* NRZ-to-RZ/RH Conversion

* Differential Encoding

* DPSK & Duobinary Transmitter Modules

* Broadband Test & Measurement

* Inputs Terminated Internally in 50 Ohms

* Differential or Singe-Ended Operation

* Fast Rise & Fall Times: 15 / 14 ps

* Low Power Consumption: 241 mW typ.

Elecena nie prowadzi sprzedaży elementów elektronicznych, ani w niej nie pośredniczy.

Produkt pochodzi z oferty sklepu