Low Cost 6 Channel AC' 97 Audio Codec
Analog Devices
RSS
Sample
Przejdź do sklepu »
- Darmowa próbka
- MPN:
- AD1888
- Producent:
- ANALOG DEVICES
- Dodany do bazy:
- Ostatnio widziany:
Sugerowane produkty dla ad1888
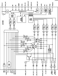
The AD1888 is used to add analog and digital audio capabilities to computer motherboards by connecting directly to the core logic chipset. By reusing existing system resources, this solution adds flexibilty, improves sound quality, and lowers the system BOM cost by integrating components.
* Flexible OS Support * Integrated AC'97 controller * Low risk vendor selection and source of supply
Elecena nie prowadzi sprzedaży elementów elektronicznych, ani w niej nie pośredniczy.
Produkt pochodzi z oferty sklepu Analog Devices