elecena.pl

Complete, Quad, 14-Bit, High Accuracy, Serial Input, Bipolar Voltage Output D/A Converter

Analog Devices

Complete, Quad, 14-Bit, High Accuracy, Serial Input, Bipolar Voltage Output D/A Converter RSS Sample
  • Darmowa próbka
MPN:
AD5744
Producent:
ANALOG DEVICES
Dodany do bazy:
Ostatnio widziany:

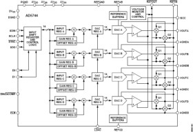
The AD5744 is a quad, 14-bit, serial input, bipolar voltage output digital-to-analog converter that operates from supply voltages of ±11.4 V up to ±16.5 V. Nominal full-scale output range is ±10 V. The AD5744 provides integrated output amplifiers, reference buffers and proprietary power-up/power-down control circuitry. The part also features a digital I/O port, which is programmed via the serial interface. The AD5744 incorporates digital gain adjust registers per channel.

The AD5744 is a high performance converter that offers guaranteed monotonicity, integral nonlinearity (INL) of ±1 LSB, low noise, and 10 μs settling time. During power-up (when the supply voltages are changing), VOUT is clamped to 0 V via a low impedance path.

The AD5744 uses a serial interface that operates at clock rates of up to 30 MHz and is compatible with DSP and microcontroller interface standards. Double buffering allows the simultaneous updating of all DACs. The input coding is programmable to either twos complement or offset binary formats. The asynchronous clear function clears all DAC registers to either bipolar zero or zero scale depending on the coding used. The AD5744 is ideal for both closed-loop servo control and open-loop control applications. The AD5744 is available in a 32-lead TQFP, and offers guaranteed specifications over the −40°C to +85°C industrial temperature range.

Applications

* Industrial automation

* Open-/closed-loop servo control

* Process control

* Data acquisition systems

* Automatic test equipment

* Automotive test and measurement

* High accuracy instrumentation

1 For analog systems designers within industrial/instrumentation equipment OEMs who need high performance ICs at higher voltage levels, iCMOS is a technology platform that enables the development of analog ICs capable of 30 V and operating at ±15 V supplies while allowing dramatic reductions in power consumption and package size, and increased AC and DC performance.

* Complete quad, 14-bit digital-to-analog converters (DACs) * Programmable output range: ±10 V, ±10.2564 V, or ±10.5263 V * ±1 LSB max INL error, ±1 LSB max DNL error * Integrated reference buffers * Output control during power-up/brownout * Low noise: 60 nV/√Hz

Elecena nie prowadzi sprzedaży elementów elektronicznych, ani w niej nie pośredniczy.

Produkt pochodzi z oferty sklepu