elecena.pl

MicroConverter Multichannel24-/16-Bit ADCs with Embedded 62 kB Flash and Single-Cycle MCU

Analog Devices

MicroConverter Multichannel24-/16-Bit ADCs with Embedded 62 kB Flash and Single-Cycle MCU RSS Sample
  • Darmowa próbka
MPN:
ADUC847
Producent:
ANALOG DEVICES
Dodany do bazy:
Ostatnio widziany:
Zmiana ceny:
-100% (21.01.2025)
Poprzednia cena:
14.19

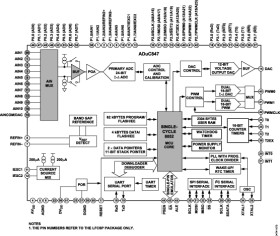
The ADuC845, ADuC847, and ADuC848 are single-cycle, 12.58 MIPs, 8052 core upgrades to the ADuC834 and ADuC836. They include additional analog inputs for applications requiring more ADC channels.

The ADuC845, ADuC847, and ADuC848 are complete smart transducer front ends. The family integrates high resolution Σ-Δ ADCs with flexible, up to 10-channel, input multiplexing, a fast 8-bit MCU, and program and data Flash/EE memory on a single chip.

The ADuC845 includes two (primary and auxiliary) 24-bit Σ-Δ ADCs with internal buffering and PGA on the primary ADC. The ADuC847 includes the same primary ADC as the ADuC845 (auxiliary ADC removed). The ADuC848 is a 16-bit ADC version of the ADuC847.

The ADCs incorporate flexible input multiplexing, a temperature sensor (ADuC845 only), and a PGA (primary ADC only) allowing direct measurement of low-level signals. The ADCs include on-chip digital filtering and programmable output data rates that are intended for measuring wide dynamic range and low frequency signals, such as those in weigh scale, strain gage, pressure transducer, or temperature measurement applications.

The devices operate from a 32 kHz crystal with an on-chip PLL generating a high frequency clock of 12.58 MHz. This clock is routed through a programmable clock divider from which the MCU core clock operating frequency is generated. The microcontroller core is an optimized single-cycle 8052 offering up to 12.58 MIPs performance while maintaining 8051 instruction set compatibility.

The available nonvolatile Flash/EE program memory options are 62 kbytes, 32 kbytes, and 8 kbytes. 4 kbytes of nonvolatile Flash/EE data memory and 2304 bytes of data RAM are also provided on-chip. The program memory can be configured as data memory to give up to 60 kbytes of NV data memory in data logging applications.

On-chip factory firmware supports in-circuit serial download and debug modes (via UART), as well as single-pin emulation mode via the EA pin. The ADuC845, ADuC847, and ADuC848 are supported by the QuickStart™ development system featuring low cost software and hardware development tools.

Applications

* Multichannel sensor monitoring

* Industrial/environmental instrumentation

* Weigh scales, pressure sensors, temperature monitoring

* Portable instrumentation, battery-powered systems

* Data logging, precision system monitoring

* High resolution Σ-Δ ADCs

* Single 24-bit ADC

* Up to 10 ADC input channels on all devices

* 24-bit no missing codes

* 22-bit rms (19.5 bit p-p) effective resolution

* Offset drift 10 nV/°C, gain drift 0.5 ppm/°C chop enabled

* Memory

* 62-kbyte on-chip Flash/EE program memory

* 4-kbyte on-chip Flash/EE data memory

* Flash/EE, 100-year retention, 100 kcycle endurance

* 3 levels of Flash/EE program memory security

* In-circuit serial download (no external hardware)

* High speed user download (5 sec)

* 2304 bytes on-chip data RAM

* See data sheet for additional features

Elecena nie prowadzi sprzedaży elementów elektronicznych, ani w niej nie pośredniczy.

Produkt pochodzi z oferty sklepu