elecena.pl

DC to 50 MH, Dual I/Q Demodulator and Phase Shifter

Analog Devices

DC to 50 MH, Dual I/Q Demodulator and Phase Shifter RSS Sample
  • Darmowa próbka
MPN:
AD8333
Producent:
ANALOG DEVICES
Dodany do bazy:
Ostatnio widziany:
Zmiana ceny:
-100% (22.01.2025)
Poprzednia cena:
10.67

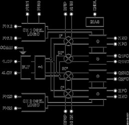
The AD8333 is a dual-phase shifter and I/Q demodulator that enables coherent summing and phase alignment of multiple analog data channels. It is the first solid-state device suitable for beamformer circuits, such as those used in high performance medical ultrasound equipment featuring CW Doppler. The RF inputs interface directly with the outputs of the dual-channel, low noise preamplifiers included in the AD8332.

A divide-by-4 circuit generates the internal 0° and 90° phases of the local oscillator (LO) that drive the mixers of a pair of matched I/Q demodulators.

The AD8333 can be applied as a major element in analog beamformer circuits in medical ultrasound equipment.

The AD8333 features an asynchronous reset pin. When used in arrays, the reset pin sets all the LO dividers in the same state. Sixteen discrete phase rotations in 22.5° increments can be selected independently for each channel. For example, if Channel 1 is used as a reference and the RF signal applied to Channel 2 has an I/Q phase lead of 45°, Channel 2 can be phase aligned with Channel 1 by choosing the correct code.

Phase shift is defined by the output of one channel relative to another. For example, if the code of Channel 1 is adjusted to 0000 and that of Channel 2 to 0001 and the same signal is applied to both RF inputs, the output of Channel 2 leads that of Channel 1 by 22.5°.

The I and Q outputs are provided as currents to facilitate summation. The summed current outputs are converted to voltages by a high dynamic-range, current-to-voltage (I-V) converter, such as the AD8021, configured as a transimpedance amplifier. The resultant signal is then applied to a high resolution ADC, such as the AD7665 (16 bit/570 kSPS).

The two I/Q demodulators can be used independently in other nonbeamforming applications. In that case, a transimpedance amplifier is needed for each of the I and Q outputs, four in total for the dual I/Q demodulator.

The dynamic range is 159 dB/Hz at each I and Q output, but the following transimpedance amplifier is an important element in maintaining the overall dynamic range, and attention needs to be paid to optimal component selection and design.

The AD8333 is available in a 32-lead LFCSP (5 mm × 5 mm) package for the industrial temperature range of −40°C to +85°C.

Applications

* Medical imaging (CW ultrasound beamforming)

* Phased array systems (radar and adaptive antennas)

* Communication receivers

* Dual integrated I/Q demodulator

* 16 phase select options on each output (22.5° per step)

* Quadrature demodulation accuracy

* Phase accuracy: ±0.1°

* Amplitude balance: ±0.05 dB

* Bandwidth

* 4 × LO: 10 kHz to 200 MHz

* RF: dc to 50 MHz

* Baseband: determined by external filtering

* Output dynamic range: 159 dB/Hz

* LO drive > 0 dBm (50 Ω); 4 × LO > 1 MHz

* Supply: ±5 V

* Power consumption: 190 mW/channel (380 mW total)

* Power-down

Elecena nie prowadzi sprzedaży elementów elektronicznych, ani w niej nie pośredniczy.

Produkt pochodzi z oferty sklepu