elecena.pl

Single, Integer-N, 3.0 GH PLL

Analog Devices

Single, Integer-N, 3.0 GH PLL RSS Sample
  • Darmowa próbka
MPN:
ADF4118
Producent:
ANALOG DEVICES
Dodany do bazy:
Ostatnio widziany:

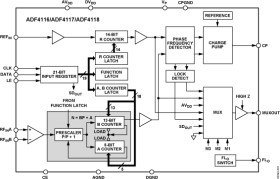
The ADF4116/ADF4117/ADF4118 are frequency synthesizers which can be used to implement local oscillators in the up-conversion and down-conversion sections of wireless receivers and transmitters. They consist of a low-noise digital PFD (Phase Frequency Detector), a precision charge pump, a programmable reference divider, programmable A and B counters and a dual-modulus prescaler (P/P+1). The A (5-bit) and B (13-bit) counters, in conjunction with the dual modulus prescaler (P/P+1), implement an N divider (N= BP+A). In addition, the 14-bit reference counter (R Counter), allows selectable REFIN frequencies at the PFD input. A complete PLL (Phase-Locked Loop) can be implemented if the synthesizer is used with an external loop filter and VCO (Voltage Controlled Oscillator).

Control of all the on-chip registers is via a simple 3-wire interface.

The devices operate with a 2.7V (± 10%) or 5V (± 10%) power supply and can be powered when not in use.

* ADF4116: 550 MHz

* ADF4117: 1.2 GHz

* ADF4118: 3.0 GHz

* +2.7 V to +5.5 V Power Supply

*

ADF4116: 8/9

* ADF4117/ADF4118: 32/33

* Separate VP Allows Extended Tuning Voltage in 3V Systems

* 3-Wire Serial Interface

* Digital Lock Detect

* Power Down Mode

* Fastlock Mode

Elecena nie prowadzi sprzedaży elementów elektronicznych, ani w niej nie pośredniczy.

Produkt pochodzi z oferty sklepu