elecena.pl

Low Power dual RF/IF Integer-N PLL

Analog Devices

Low Power dual RF/IF Integer-N PLL RSS Sample
  • Darmowa próbka
MPN:
ADF4218L
Producent:
ANALOG DEVICES
Dodany do bazy:
Ostatnio widziany:

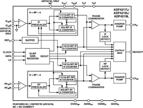
The ADF4218L Synthesizer IC when combined with a VCO and loop filter forms a complete phased locked loop (PLL). This solution from ADI creates state-of-the-art LO's (local oscillator) for the upconversion and downconversion of RF signals in Wireless applications. The PLL consists of a low noise digital phase frequency detector (PFD), a precision charge pump, a programmable reference divider, programmable A and B counters and a dual-modulus prescaler (P/P+1).

The ADF4217L and ADF4218L are low current consumption improvements on the released ADF4217 and ADF4218 and are available in TSSOP and MLF (LFCSP). The ADF4219L is a Phase Noise upgrade & pin compatible to the LMX2370 from National Semiconductor and is available in both TSSOP and MLF (Cason).

Sales Collateral Available: Full data sheet with performance graphs, press release, circuit simulation included in ADISimPLL released on February 1, 2002, evaluation board and software available.

* Low Phase Noise

* Separate VP allows extended tuning range

* 2.6V to 3.3V single Power supply

* TSSOP and chip scale package available

* Programmable charge pump currents

* 1.8V Logic compatibility

* Low current consumption (7.0mA total Idd)

* Selectable dual modulus prescaler values

* ADF4219L is a Phase noise upgrade to LMX2370

Elecena nie prowadzi sprzedaży elementów elektronicznych, ani w niej nie pośredniczy.

Produkt pochodzi z oferty sklepu