Low Voltage 1.15 V to 5.5 V, 4 Channel, Bidirectional, Logic Level Translator
Analog Devices
RSS
Sample
- Darmowa próbka
- MPN:
- ADG3304
- Producent:
- ANALOG DEVICES
- Dodany do bazy:
- Ostatnio widziany:
- Zmiana ceny:
- -100% (19.01.2025)
- Poprzednia cena:
- 1.18
Sugerowane produkty dla and20
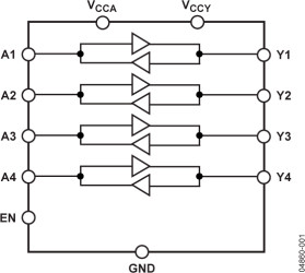
The ADG3304 is a bidirectional logic level translator that contains four bidirectional channels. It can be used in multivoltage digital system applications such as data transfer between a low voltage DSP/controller and a higher voltage device using SPI and MICROWIRE interfaces. The internal architecture allows the device to perform bidirectional logic level translation without an additional signal to set the direction in which the translation takes place.
The voltage applied to VCCA sets the logic levels on the A side of the device, while VCCY sets the levels on the Y side. For proper operation, VCCA must always be less than VCCY. The VCCA-compatible logic signals applied to the A side of the device appear as VCCY-compatible levels on the Y side. Similarly, VCCY-compatible logic levels applied to the Y side of the device appear as VCCA-compatible logic levels on the A side.
The enable pin (EN) provides three-state operation on both the A-side and the Y-side pins. When the EN pin is pulled low, the terminals on both sides of the device are in the high impedance state. The EN pin is referred to the VCCA supply voltage and driven high for normal operation.
The ADG3304 is available in compact 14-lead TSSOP, 12-ball WLCSP and 20-lead LFCSP. It is guaranteed to operate over the 1.15 V to 5.5 V supply voltage range.
Supports defense and aerospace applications (AQEC standard).
Applications
* SPI, MICROWIRE level translation
* Low voltage ASIC level translation
* Smart card readers
* Cell phones and cell phone cradles
* Portable communication devices
* Telecommunications equipment
* Network switches and routers
* Storage systems (SAN/NAS)
* Computing/server applications
* GPS
* Portable POS systems
* Low cost serial interfaces
* Bidirectional level translation
* Operates from 1.15 V to 5.5 V
* Low quiescent current < 1µA
* No direction pin
* Qualified for automotive applications
Elecena nie prowadzi sprzedaży elementów elektronicznych, ani w niej nie pośredniczy.
Produkt pochodzi z oferty sklepu Analog Devices