elecena.pl

500 mA Low-Dropout CMOS Linear Regulator with Soft Start

Analog Devices

500 mA Low-Dropout CMOS Linear Regulator with Soft Start RSS Sample
  • Darmowa próbka
MPN:
ADP1715
Producent:
ANALOG DEVICES
Dodany do bazy:
Ostatnio widziany:
Zmiana ceny:
-100% (18.01.2025)
Poprzednia cena:
1.01

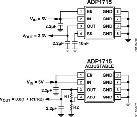
The ADP1715 / ADP1716 are low dropout, CMOS linear regulators that operate from 2.5 V to 5.5 V and provide up to 500 mA of output current. Using an advanced proprietary architecture, they provide high power supply rejection and achieve excellent line and load transient response with just a small 2.2 μF ceramic output capacitor.

Three versions of this part are available, one with fixed output voltage options and variable soft start (ADP1715), one with adjustable output voltage and fixed soft start (ADP1715 Adjustable), and one with voltage tracking in fixed output voltage options (ADP1716). The fixed output voltage options are internally set to one of sixteen values between 0.75 V and 3.3 V; the adjustable output voltage can be set to any value between 0.8 V and 5.0 V by an external voltage divider connected from OUT to ADJ. The variable soft start uses an external capacitor at SS to control the output voltage ramp. Tracking limits the output voltage to the at-or-below voltage at the TRK pin.

The ADP1715 / ADP1716 are available in 8-lead thermally enhanced MSOP packages, making them not only a very compact solution but also providing excellent thermal performance for applications requiring up to 500 mA of output current in a small, low profile footprint.

APPLICATIONS

* Notebook computers

* Memory components

* Telecommunications equipment

* Network Equipment

* DSP/FPGA/µP supplies

* Instrumentation equipment/data acquisition systems

* Maximum output current: 500 mA

* Input voltage range:

2.5 V to 5.5 V

* Low shutdown current: <1 μA

* Low dropout voltage:

250 mV @ 500 mA load

50 mV @ 100 mA load

* Initial accuracy: ±1%

Elecena nie prowadzi sprzedaży elementów elektronicznych, ani w niej nie pośredniczy.

Produkt pochodzi z oferty sklepu