elecena.pl

40V Low I, 3MHz Synchronous Step-Down Controller with Spread Spectrum

Analog Devices

40V Low I, 3MHz Synchronous Step-Down Controller with Spread Spectrum RSS Sample
  • Darmowa próbka
MPN:
LTC7803-3.3
Producent:
ANALOG DEVICES
Dodany do bazy:
Ostatnio widziany:
Zmiana ceny:
-100% (21.01.2025)
Poprzednia cena:
2.86

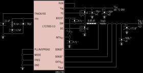
The LTC7803-3.3 is a high performance synchronous step-down DC/DC switching regulator controller that drives an all N-channel power MOSFET stage. Synchronous rectification increases efficiency, reduces power losses and eases thermal requirements. A constant frequency current mode architecture allows a phase-lockable switching frequency of up to 3MHz. The LTC7803‑3.3 operates from a wide 4.5V to 40V input supply range and regulates the output to a fixed 3.3V voltage using an internal feedback resistor divider.

The very low no-load quiescent current extends operating runtime in battery powered systems. OPTI-LOOP® compensation allows the transient response to be optimized over a wide range of output capacitance and ESR values. The MODE pin selects among Burst Mode operation, pulse-skipping mode, or continuous inductor current mode at light loads.

The LTC7803-3.3 additionally features spread spectrum operation which significantly reduces the peak radiated and conducted noise on both the input and output supplies, making it easier to comply with electromagnetic interference (EMI) standards.

APPLICATIONS

* Automotive and Transportation

* Industrial

* Military/Avionics

* Telecommunications

* Low Operating IQ: 12μA (14V VIN to 3.3V VOUT)

* Wide Input Voltage Range: 4.5V to 40V

* Fixed 3.3V Regulated Output Voltage

* Spread Spectrum Operation

* RSENSE or DCR Current Sensing

* Programmable Fixed Frequency (100kHz to 3MHz)

* Phase-Lockable Frequency (100kHz to 3MHz)

Elecena nie prowadzi sprzedaży elementów elektronicznych, ani w niej nie pośredniczy.

Produkt pochodzi z oferty sklepu