elecena.pl

±200 Range, 3-Axis Digital Accelerometer

Analog Devices

±200 Range, 3-Axis Digital Accelerometer RSS Sample
  • Darmowa próbka
MPN:
ADXL314
Producent:
ANALOG DEVICES
Dodany do bazy:
Ostatnio widziany:
Zmiana ceny:
-100% (22.01.2025)
Poprzednia cena:
4.42

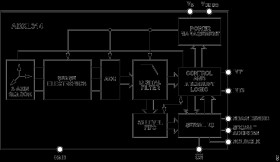
The ADXL314 is a ±200 g range, 13-bit resolution, 3-axis digital accelerometer. The digital output data is formatted as 16-bit, twos complement data and is accessible through a serial peripheral interface (SPI), 3-wire or 4-wire, or an I2C digital interface.

An integrated memory management system with a 32 level, first in, first out (FIFO) buffer can store data to minimize host processor activity and lower overall system power consumption.

Low power modes enable intelligent motion-based power management with threshold sensing and active acceleration measurement at low power dissipation, typically 65 μA for VS = 2.5 V at a 100 Hz output data rate (ODR).

The ADXL314 is supplied in a small, thin 5 mm × 5 mm × 1.45 mm, 32-lead LFCSP.

APPLICATIONS

* Tire and battery pack monitoring

* High force event detection

* ±200 g measurement range

* Low power: 170 μA in measurement mode and 17 μA in standby mode at VS = 2.5 V (typical)

* User selectable bandwidth up to 3200 Hz ODR

* Fixed 13-bit output resolution

* Supply voltage range: 2.0 V to 3.6 V

* Embedded memory management system with FIFO technology minimizes host processor load

* Shock event detection

Elecena nie prowadzi sprzedaży elementów elektronicznych, ani w niej nie pośredniczy.

Produkt pochodzi z oferty sklepu