elecena.pl

GaAs, pHEMT, MMIC, Power Amplifier, 2 GHz to 50 GHz

Analog Devices

GaAs, pHEMT, MMIC, Power Amplifier, 2 GHz to 50 GHz RSS Sample
  • Darmowa próbka
MPN:
HMC1126-Die
Producent:
ANALOG DEVICES
Dodany do bazy:
Ostatnio widziany:
Zmiana ceny:
-100% (17.01.2025)
Poprzednia cena:
121.23

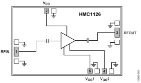
The HMC1126 is a gallium arsenide (GaAs), pseudomorphic high electron mobility transfer (pHEMT), monolithic microwave integrated circuit (MMIC), distributed power amplifier that operates from 2 GHz to 50 GHz. The HMC1126 provides 11 dB of gain, 28 dBm output IP3, and 17.5 dBm of output power at 1 dB gain compression, while requiring 65 mA from a 5 V supply.

The HMC1126 amplifier inputs/outputs are internally matched to 50 Ω facilitating integration into multichip modules (MCMs). All data is taken with the chip connected via two 0.025 mm (1 mil) wire bonds of minimal length 0.31 mm (12 mils).

APPLICATIONS

* Test instrumentation

* Microwave radios and VSATs

* Military and space

* Telecommunications infrastructure

* Fiber optics

* Output power for 1 dB compression (P1dB): 17.5 dB typical

* Saturated output power (PSAT): 21 dBm typical

* Gain: 11 dB typical

Elecena nie prowadzi sprzedaży elementów elektronicznych, ani w niej nie pośredniczy.

Produkt pochodzi z oferty sklepu