elecena.pl

12-bit Deep Color Quad HDMI Receiver

Analog Devices

12-bit Deep Color Quad HDMI Receiver RSS Sample
  • Darmowa próbka
MPN:
ADV7614
Producent:
ANALOG DEVICES
Dodany do bazy:
Ostatnio widziany:

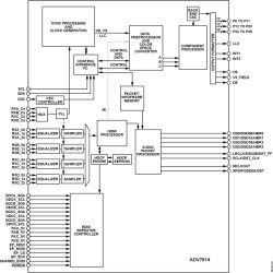
The ADV7614 is a high quality, single-chip integrated 4:1 multiplexed High-Definition Multimedia Interface (HDMI™) receiver. The ADV7614 incorporates a quad input HDMI receiver that supports all HDTV formats up to 1080p and displays resolutions up to UXGA (1600 × 1200 at 60 Hz). The reception of encrypted video is possible with the inclusion of HDCP. The HDMI receiver also includes programmable/adaptive equalization that ensures robust operation of the interface with cable lengths up to 30 meters.

The ADV7614 provides complete audio support for eight channels of I2S audio, Sony/Philips digital interface format (S/PDIF) digital audio output, and super audio CD (SACD) and compressed SACD support with direct stream digital (DSD) and direct stream transfer (DST) output interfaces, respectively.

The HDMI receiver also supports high bit rate (HBR) audio streaming to allow recovery (and downstream processing) of compressed lossless audio formats, including Dolby® TrueHD and DTS®-HD master audio or DTS-HD high resolution audio. In addition, it also provides an advanced audio functionality, such as a mute controller that prevents audible extraneous noise in the audio output.

Fabricated in an advanced CMOS process, the ADV7614 is provided in a space-saving, 260-ball, 15 mm × 15 mm, CSPBGA surface-mount, RoHS-compliant package, and is specified over the −40°C to +70°C temperature range.

APPLICATIONS

* Advanced TVs

AVR video receivers

PDP HDTVs

LCD TVs (HDTV ready)

OLED HDTVs

* LCD/DLP front projectors

* HDMI switcher

* 225 MHz HDMI receiver

* HDMI repeater support

* High-bandwidth digital content protection (HDCP 1.3)

* Programmable/adaptive equalizer for cable lengths up to 30 meters

Elecena nie prowadzi sprzedaży elementów elektronicznych, ani w niej nie pośredniczy.

Produkt pochodzi z oferty sklepu