3.3V Flexible Nonvolatile Controller with Lithium Battery Monitor
Analog Devices
RSS
Sample
- Darmowa próbka
- MPN:
- DS1323
- Producent:
- ANALOG DEVICES
- Dodany do bazy:
- Ostatnio widziany:
Sugerowane produkty dla ds1323
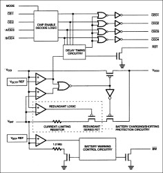
The DS1323 flexible nonvolatile controller with lithium battery monitor is a CMOS circuit that solves the application problem of converting CMOS SRAMs into nonvolatile memory. Incoming power is monitored for an out-of-tolerance condition. When such a condition is detected, chip enable outputs are inhibited to accomplish write protection and the battery is switched on to supply the SRAMs with uninterrupted power. Special circuitry uses a low-leakage CMOS process that affords precise voltage detection at extremely low-battery consumption. One DS1323 can support as many as four SRAMs arranged in any of three memory configurations.
In addition to battery-backup support, the DS1323 performs the important function of monitoring the remaining capacity of the lithium battery and providing a warning before the battery reaches end-of-life. Because the open-circuit voltage of a lithium backup battery remains relatively constant over the majority of its life, accurate battery monitoring requires loaded-battery voltage measurement. The DS1323 performs such measurement by periodically comparing the voltage of the battery as it supports an internal resistive load with a carefully selected reference voltage. If the battery voltage falls below the reference voltage under such conditions, the battery will soon reach end-of-life. As a result, the Battery Warning pin is activated to signal the need for battery replacement.
* Converts CMOS SRAM Into Nonvolatile Memory
* Unconditionally Write Protects SRAM When VCC is Out of Tolerance
* Automatically Switches to Battery Backup When VCC Power Failure Occurs
* Flexible Memory Organization
* Mode 0: 4 Banks with 1 SRAM Each
* Mode 1: 2 Banks with 2 SRAMs Each
* Mode 2: 1 Bank with 4 SRAMs Each
* Monitors Voltage of a Lithium Cell and Provides Advanced Warning of Impending Battery Failure
* Signals Low-Battery Condition on Active-Low Battery Warning Output Signal
* Resets Processor When Power Failure Occurs and Holds Processor in Reset During System Power-Up
* 10% Power-Fail Detection
* Industrial Temperature Range: -40°C to +85°C
Elecena nie prowadzi sprzedaży elementów elektronicznych, ani w niej nie pośredniczy.
Produkt pochodzi z oferty sklepu Analog Devices