elecena.pl

Flexible Nonvolatile Controller with Lithium Battery

Analog Devices

Flexible Nonvolatile Controller with Lithium Battery RSS Sample
  • Darmowa próbka
MPN:
DS1321
Producent:
ANALOG DEVICES
Dodany do bazy:
Ostatnio widziany:
Zmiana ceny:
-100% (03.04.2024)
Poprzednia cena:
7.52

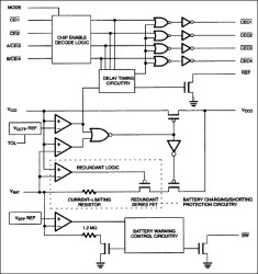
The DS1321 Flexible Nonvolatile Controller with Lithium Battery Monitor is a CMOS circuit which solves the application problem of converting CMOS SRAMs into nonvolatile memory. Incoming power is monitored for an out-of-tolerance condition. When such a condition is detected, chip enable outputs are inhibited to accomplish write protection and the battery is switched on to supply the SRAMs with uninterrupted power. Special circuitry uses a low-leakage CMOS process which affords precise voltage detection at extremely low battery consumption. One DS1321 can support as many as four SRAMs arranged in any of three memory configurations.

In addition to battery-backup support, the DS1321 performs the important function of monitoring the remaining capacity of the lithium battery and providing a warning before the battery reaches end-of-life. Because the open-circuit voltage of a lithium backup battery remains relatively constant over the majority of its life, accurate battery monitoring requires loaded-battery voltage measurement. The DS1321 performs such measurement by periodically comparing the voltage of the battery as it supports an internal resistive load with a carefully selected reference voltage. If the battery voltage falls below the reference voltage under such conditions, the battery will soon reach end-of-life. As a result, the Battery Warning pin is activated to signal the need for battery replacement.

* Converts CMOS SRAM into nonvolatile memory

* Unconditionally write-protects SRAM when VCC is out of tolerance

* Automatically switches to battery backup supply when VCC power failure occurs

* Flexible memory organization

* Mode 0: 4 banks with 1 SRAM each

* Mode 1: 2 banks with 2 SRAMs each

* Mode 2: 1 bank with 4 SRAMs each

* Monitors voltage of a lithium cell and provides advanced warning of impending battery failure

* Signals low-battery condition on active low Battery Warning output signal

* Resets processor when power failure occurs and holds processor in reset during system power-up

* Optional 5% or 10% power-fail detection

* 16-pin PDIP, 16-pin SO and 20-pin TSSOP packages

* Industrial temperature range of -40°C to +85°C

Elecena nie prowadzi sprzedaży elementów elektronicznych, ani w niej nie pośredniczy.

Produkt pochodzi z oferty sklepu